SEGUICI:

Prodotti
Interruttore a camma rotante con combinazione lucchetto 63A
  • Interruttore a camma rotante con combinazione lucchetto 63AInterruttore a camma rotante con combinazione lucchetto 63A

Interruttore a camma rotante con combinazione lucchetto 63A

Con oltre 30 anni di esperienza nel settore, YAMING (Zhejiang Yaming Electric) ha sviluppato l'interruttore a camma rotante con combinazione di lucchetto 63A (serie HZ5), sfruttando le sue forti capacità tecniche e il rigoroso controllo di qualità. Questo prodotto utilizza una tecnologia avanzata, vanta una corrente nominale di 63 A, una tensione massima di 380 V CA/240 V CC ed è compatibile con i sistemi CA a 50 Hz. Consente la commutazione di circuito, l'azionamento del motore, la regolazione della velocità e altre funzioni, con numeri di poli e impostazioni di velocità personalizzabili. In qualità di produttore professionale originario della Cina, YAMING è diventato un fornitore di interruttori elettrici di fiducia a livello mondiale grazie al suo sistema di fabbrica maturo e alla garanzia della qualità.

L'interruttore a camma rotante con combinazione di lucchetti YAMING 63A è il culmine della tecnologia e dell'esperienza del marchio, caratterizzato da parametri precisi, funzioni complete e qualità affidabile. In qualità di produttore e fornitore radicato in Cina, YAMING sfrutta i vantaggi della sua fabbrica e i servizi completi per fornire interruttori elettrici ad alte prestazioni ed economici a clienti globali, rendendolo un partner preferito per il controllo industriale.


Con oltre 30 anni di esperienza nel settore degli interruttori elettrici, YAMING è un fornitore di soluzioni affidabile, che stabilisce la sua immagine autorevole attraverso una profonda competenza e un rigoroso controllo di qualità. In qualità di produttore esperto radicato in Cina, la sua fabbrica dedicata è dotata di attrezzature avanzate e aderisce agli standard del settore durante l'intero processo, fornendo affidabili interruttori a camme rotanti con combinazione di lucchetti 63A a clienti globali: un fornitore affidabile.


Parametri principali del prodotto


L'interruttore a camma rotante con combinazione di lucchetti YAMING 63A (serie HZ5) vanta parametri fondamentali precisi, adattabili a scenari industriali complessi e prestazioni professionali eccezionali:


- Sistemi compatibili: progettati specificamente per sistemi CA a 50 Hz, compatibili con scenari CC, che offrono una forte versatilità;


- Specifiche nominali: corrente nominale 63 A, tensione massima 380 V CA/240 V CC, capacità di carico robusta;


- Caratteristiche principali: il design della combinazione del lucchetto combina praticità e sicurezza, garantendo elevata stabilità e funzionamento senza problemi a lungo termine.


Vantaggi funzionali del prodotto


Sfruttando l'esperienza del settore, l'interruttore a camma rotante con combinazione di lucchetti 63A offre funzionalità flessibili e adattabilità a vari scenari, con i seguenti vantaggi:


1. Adattabilità multi-scenario: consente la commutazione manuale del circuito, azionando direttamente piccoli motori CA, adatti a scenari industriali come macchine utensili e stazioni di pompaggio;


2. Comoda regolazione della velocità: supporta la regolazione della velocità del motore, eliminando la necessità di apparecchiature aggiuntive, semplificando il layout e riducendo i costi;


3. Servizio di personalizzazione: le impostazioni del numero di poli e della velocità possono essere personalizzate per soddisfare esattamente i requisiti del circuito;


4. Durata: utilizza la tecnologia avanzata e il controllo di qualità della fabbrica YAMING, adattabile ad ambienti industriali complessi.


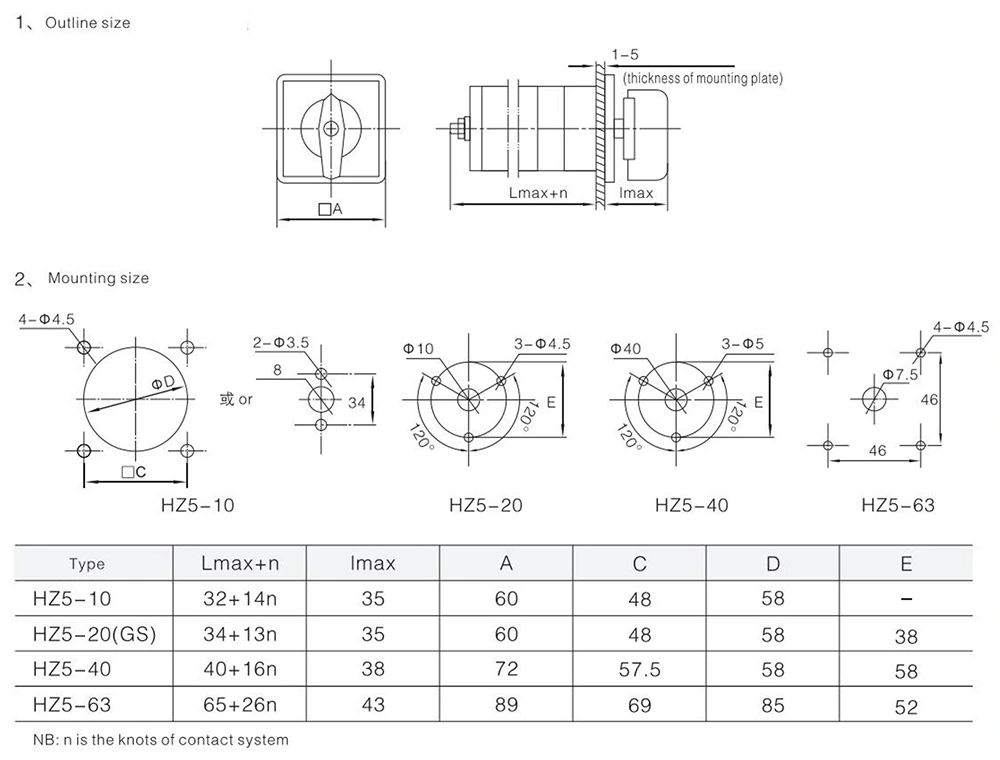
Dimensioni di installazione delle dimensioni del contorno del prodotto



Garanzia di qualità e vantaggi nella fornitura


In qualità di produttore responsabile, YAMING aderisce rigorosamente agli standard internazionali e i suoi prodotti sono sottoposti a molteplici cicli di test, garantendo una qualità affidabile. In qualità di fornitore professionale originario della Cina, che sfrutta i vantaggi della propria fabbrica, possiede una catena di fornitura completa e capacità di consegna efficienti, fornendo un servizio post-vendita professionale.



Tag caldi: Interruttore a camma rotante con combinazione lucchetto 63A Cina, produttore, fornitore, fabbrica
Invia richiesta
Informazioni di contatto
  • Indirizzo

    No.8 Yaming Road, zona industriale di Xiangyang, città di Yueqing, provincia di Zhejiang, Cina

Se avete domande su un preventivo o sulla cooperazione, non esitate a inviare un'e-mail o utilizzare il seguente modulo di richiesta. Il nostro rappresentante di vendita ti contatterà entro 24 ore.
X
Utilizziamo i cookie per offrirti una migliore esperienza di navigazione, analizzare il traffico del sito e personalizzare i contenuti. Utilizzando questo sito, accetti il ​​nostro utilizzo dei cookie. politica sulla riservatezza
Rifiutare Accettare